鋳物と樹脂とのハイブリッド一体成型ケーシングを主材料とした自吸式ポンプです。
海水にも強く、運転音も小さいため、屋内外どちらでも活躍できます。ポンプ自体の堅牢性も高く、海水の飼育現場で多く採用されています。
特長
特長1超低騒音
ポンプ内の構造を改良することにより、全ての新シリーズにおいて当社従来品より最大15dB(A)低減という超低騒音を実現しています。
※10dB(A)低減すると、実際聞こえる音(SONE)が半分になります。
特長2高効率
モータとポンプの一体最適化設計により、当社従来品よりポンプ効率が最大47%向上という高効率を実現し、消費電力を最大56%低減しました。
特長3長寿命 ・高信頼性
接液部には耐蝕性に優れた材質を用い、軸封部の改善によりメカニカルシールの信頼性を高め、万一の水モレに対する信頼性も大幅に向上しました。
特長4高メンテナンス性
メカニカルシール交換のための羽根車付け外しの際、シャフトを固定し易い構造であるため、メンテナンス性の向上を実現しました。全ての機種に全閉外扇屋外型モータを採用し、また端子箱のケーブル差込口には防水ブッシュを標準装備することにより、多湿な環境や粉塵の多い場所などの設置が可能となっています。
仕様 25/40PSPZ

性能曲線(A=50Hz, B=60Hz)

仕様表
50Hz
| 機種名 | 25PSPZ-2031A | 25PSPZ-2033A | 40PSPZ-4031A | 40PSPZ-4033A | 40PSPZ-7533A-E3 | |
|---|---|---|---|---|---|---|
| モータ定格出力 | W | 250 | 250 | 400 | 400 | 750 |
| 定格電圧 | V | 単相100 | 三相200 | 単相100 | 三相200 | 三相200 |
| 口径 | A(mm) | 25 (1B) | 25 (1B) | 40 (1 1/2B) | 40 (1 1/2B) | 40 (1 1/2B) |
| 吸上揚程(清水20℃) | m | 6.0 | 6.0 | 6.5 | 6.5 | 6.5 |
| 全揚程 | m | 5・7 | 5・7 | 7・9 | 7・9 | 12.5・7.5 |
| 揚水量 | L/min | 89・59 | 84・54 | 155・116 | 157・118 | 80・250 |
| 定格消費電力 | W | 390 | 315 | 630 | 600 | 895 |
| 定格電流 | A | 5.3 | 1.4 | 7.2 | 2.5 | 4.2 |
| モータプロテクタ | 手動復帰 | 手動復帰 | 手動復帰 | 手動復帰 | 手動復帰 | |
| 製品質量 | kg | 15.0 | 14.0 | 16.0 | 15.0 | 17.0 |
60Hz
| 機種名 | 25PSPZ-2031B | 25PSPZ-2033B | 40PSPZ-4031B | 40PSPZ-4033B | 40PSPZ-7533B-E3 | |
|---|---|---|---|---|---|---|
| モータ定格出力 | W | 250 | 250 | 400 | 400 | 750 |
| 定格電圧 | V | 単相100 | 三相200 | 単相100 | 三相200 | 三相200 |
| 口径 | A(mm) | 25 (1B) | 25 (1B) | 40 (1 1/2B) | 40 (1 1/2B) | 40 (1 1/2B) |
| 吸上揚程(清水20℃) | m | 6.0 | 6.0 | 6.5 | 6.5 | 6.5 |
| 全揚程 | m | 5・7 | 5・7 | 7・9 | 7・9 | 12.5・7.5 |
| 揚水量 | L/min | 98・71 | 91・60 | 157・114 | 151・111 | 80・250 |
| 定格消費電力 | W | 440 | 370 | 675 | 605 | 905 |
| 定格電流 | A | 5.2 | 1.5 | 7.6 | 2.2 | 3.7 |
| モータプロテクタ | 手動復帰 | 手動復帰 | 手動復帰 | 手動復帰 | 手動復帰 | |
| 製品質量 | kg | 15.0 | 14.0 | 16.0 | 15.0 | 17.0 |
仕様 50PSPZ

性能曲線(A=50Hz, B=60Hz)

仕様表
50Hz
| 機種名 | 50PSPZ-15033A | PSPZ-15023A | PSPZ-22023A | |
|---|---|---|---|---|
| モータ定格出力 | W | 1500 | 1500 | 2200 |
| 定格電圧 | V | 三相200 | 三相200 | 三相200 |
| 口径 | A(mm) | 50(2B) | 80(3B) | 80(3B) |
| 吸上揚程(清水20℃) | m | 6.5 | 5.0 | 5.0 |
| 全揚程 | m | 14・16 | 5・10 | 7・10 |
| 揚水量 | L/min | 227・138 | 630・270 | 720・585 |
| 定格消費電力 | W | 1600 | 1800 | 2950 |
| 定格電流 | A | 6.4 | 6.5 | 11.5 |
| モータプロテクタ | 手動復帰 | 手動復帰 | 手動復帰 | |
| 製品質量 | kg | 36.0 | 35.0 | 37.0 |
60Hz
| 機種名 | 50PSPZ-15033B | 50PSPZ-22033B | PSPZ-15023B | PSPZ-22023B | |
|---|---|---|---|---|---|
| モータ定格出力 | W | 1500 | 2200 | 1500 | 2200 |
| 定格電圧 | V | 三相200 | 三相200 | 三相200 | 三相200 |
| 口径 | A(mm) | 50(2B) | 50(2B) | 80(3B) | 80(3B) |
| 吸上揚程(清水20℃) | m | 6.5 | 6.5 | 5.0 | 5.0 |
| 全揚程 | m | 14・17 | 20・25 | 5・10 | 7・10 |
| 揚水量 | L/min | 284・192 | 323・90 | 630・270 | 720・585 |
| 定格消費電力 | W | 1700 | 2700 | 2200 | 3150 |
| 定格電流 | A | 6.5 | 10.2 | 7.5 | 11.0 |
| モータプロテクタ | 手動復帰 | 手動復帰 | 手動復帰 | 手動復帰 | |
| 製品質量 | kg | 36.0 | 38.0 | 35.0 | 37.0 |
仕様 50/65/80PSPZ

性能曲線(A=50Hz, B=60Hz)

仕様表
50Hz
| 機種名 | 50PSPZ-22033A | 65PSPZ-37033A | 80PSPZ-37033A | |
|---|---|---|---|---|
| モータ定格出力 | W | 2200 | 3700 | 3700 |
| 定格電圧 | V | 三相200 | 三相200 | 三相200 |
| 口径 | A(mm) | 50(2B) | 65(2 1/2B) | 80(3B) |
| 吸上揚程(清水20℃) | m | 6.5 | 6.5 | 6.5 |
| 全揚程 | m | 18・20 | 20・25 | 20・25 |
| 揚水量 | L/min | 345・274 | 620・483 | 620・483 |
| 定格消費電力 | W | 2960 | 4490 | 4490 |
| 定格電流 | A | 12.1 | 18.2 | 18.2 |
| モータプロテクタ | 手動復帰 | ー | ||
| 製品質量 | kg | 58.0 | 65.0 | 65.0 |
60Hz
| 機種名 | 65PSPZ-37033B | 65PSPZ-55033B | 80PSPZ-37033B | 80PSPZ-55033B | |
|---|---|---|---|---|---|
| モータ定格出力 | W | 3700 | 5500 | 3700 | 5500 |
| 定格電圧 | V | 三相200 | 三相200 | 三相200 | 三相200 |
| 口径 | A(mm) | 65(2 1/2B) | 65(2 1/2B) | 80(3B) | 80(3B) |
| 吸上揚程(清水20℃) | m | 6.5 | 5.0 | 6.5 | 5.0 |
| 全揚程 | m | 20・25 | 30・35 | 20・25 | 30・35 |
| 揚水量 | L/min | 562・422 | 611・487 | 562・422 | 611・487 |
| 定格消費電力 | W | 4440 | 7000 | 4440 | 7000 |
| 定格電流 | A | 16.8 | 25.3 | 16.7 | 25.3 |
| モータプロテクタ | ー | ||||
| 製品質量 | kg | 65.0 | 75.0 | 65.0 | 75.0 |
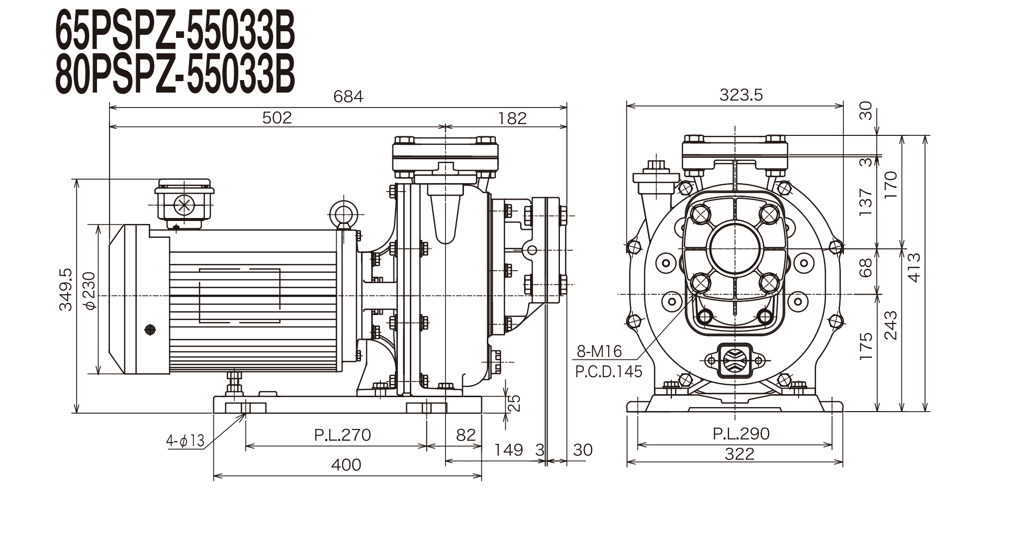
寸法





資料請求
お問い合わせ
製品の仕様について、価格・お見積り・納期についてのご確認や、導入検討のためのご相談、デモのご依頼など、お気軽にお問合せください。
製品情報
ポンプ
- 電磁駆動式ダイアフラムブロワ
- モーター駆動式ダイアフラムブロア
- マグネットポンプ MXシリーズ
- マグネットポンプ RMDシリーズ
- 水陸両用ポンプ RSDシリーズ
- 自吸式ヒューガルポンプ PSPZシリーズ
- 水中チタンポンプ TMシリーズ
- 自吸式陸上ポンプ CMPシリーズ


